Чиллеры с режимом Free Cooling. Часть 2
Чиллеры с режимом Free Cooling, решение с применением встроенного сухого охладителя (теплообменника естественного охлаждения).
Принцип работы
Чиллеры с режимом свободного (естественного) охлаждения, разработаны для охлаждения водогликолевых смесей.
Кроме обычных компонентов холодильного контура (компрессоры, конденсаторы, испарители, ТРВ), применяемых в стандартных чиллерах, так же применяется дополнительный теплообменник воздушного охлаждения, установленный в водоохлаждающем агрегате.
Он обеспечивает режим свободного охлаждения — это сухой охладитель или драйкулер (от англ. "dry cooler"). В таких агрегатах принцип охлаждения растворов основан на использовании низких температур наружного воздуха.
Система свободного охлаждения состоит из теплообменника естественного охлаждения - фрикулинга, 3-ходового модулирующего клапана, датчиков и управляющего контроллера.
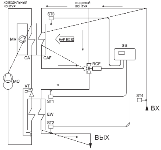
Ниже приведена принципиальная схема решения свободного охлаждения в моноблочных чиллерах.
Обозначения:
SB - контроллер; ST1 - датчик температуры входящей воды; ST2 - датчик защиты от замораживания; ST3 - датчик наружной температуры; ST4 - датчик температуры входящей воды из системы; VT - ТРВ. Стрелками обозначен зимний режим.
Водогликолевый раствор поступает из системы в чиллер. Контроллер по данным датчиков ST4, ST1, ST3 и при условии температуры наружного воздуха на 2-3°С ниже температуры входящей воды из системы переключает 3-х ходовой клапан и направляет поток холодоносителя через встроенный теплообменник воздушного охлаждения СА. Так как на производстве охлаждение в основном требуется круглый год, то агрегаты могут работать в 3-х режимах.
Летний режим работы
При температуре наружного воздуха выше температуры смеси, поступающей в чиллер, агрегат работает, как стандартный чиллер т.е. осуществляется компрессорное охлаждение. Гликолевая смесь через 3-ходовой вентиль направляется в испаритель. Общее энергопотребление такое же, как для стандартного агрегата. По температуре входящего в испаритель гликолевой смеси (датчик ST1) происходит включение компрессоров.
Зимний режим работы
При температуре наружного воздуха от 0°С до - 4°С чиллер работает в режиме свободного охлаждения. 3-ходовой вентиль, управляемый контроллером по датчикам входящей и выходящей воды ST4, ST1 и датчиком наружного воздуха ST3, перенаправляет холодоноситель в дополнительный теплообменник воздушного охлаждения. По датчику ST1 контроллер отключает компрессоры. При снижении температуры обратной воды снижается скорость вращения вентиляторов. Вентиляторы продолжают работать для охлаждения дополнительного теплообменника и поддерживают необходимую температуру раствора на выходе за счет плавного изменения скорости вращения вентиляторов.
При дальнейшем снижении температуры для поддержания постоянного значения температуры контроллер может остановить вращение вентиляторов и будет осуществлять управление 3-ходовым вентилем. Таким образом, происходит смешивание растворов: того, который выходит из системы и того, что проходит через теплообменник в режиме свободного охлаждения. При этом потребляемая мощность агрегата снижается в 10 раз за счет отключения компрессоров как основных потребителей, а электрическая мощность затрачивается только на работу вентиляторов. В этом режиме чиллеры обеспечивают холодопроизводительность, равную машинному охлаждению уже при температурах наружного воздуха от 0° до -2°С.
Режим работы в межсезонье
В межсезонье осуществляется совместная работа в режимах компрессорного охлаждения и свободного охлаждения. Работа чиллера в режиме свободного охлаждения активизируется при температуре наружного воздуха ниже на 2°, чем температура поступающего водно-гликолевого раствора, который охлаждается в дополнительном теплообменнике. При недостаточном охлаждении раствора активизируется частичная работа компрессоров или изменение их производительности. Таким образом, уже в межсезонье чиллер переходит в режим энергосбережения. С точки зрения наиболее оптимальной экономии электроэнергии желательно, чтобы оборудование перешло в режим свободного охлаждения при более высоких наружных температурах. Поэтому производитель указывает в параметрах агрегата температуру гликолевой смеси 15°С/10°С. Это означает, что при этих температурах режим свободного охлаждения включится уже при наружной температуре 12-13С°.


